消聲器

使用說明
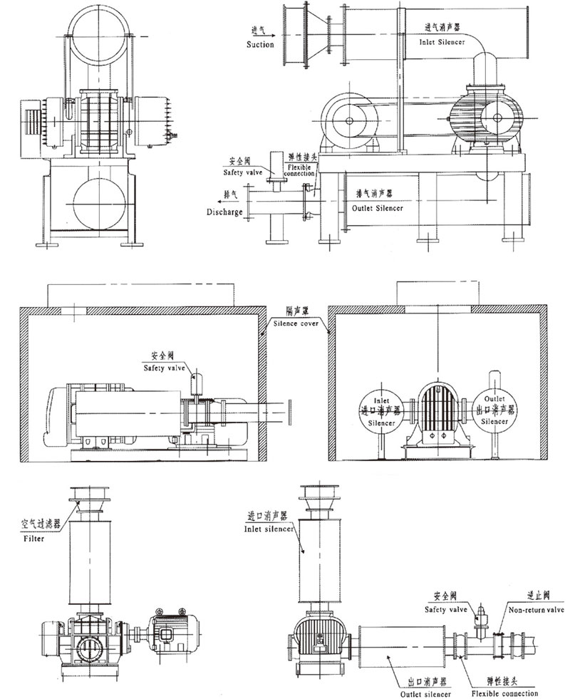
1、消聲器用于降低風機、出口的空氣動力性噪聲。
2、消聲器安裝時,距消聲器進(出)口1.5米到2米處應無阻擋物,并注意避開其他噪聲源,以免影響消聲器正常的使用效果。
3、消聲器與風機連接法蘭口徑不一致時,可配接變徑管過渡,但當量角不應大于30°。連接法蘭間應避免剛性聯接,并注意密封,防止漏氣、漏聲。
4、消聲器可以根據實際需要安裝在空間的任意位置,但應注意消聲器的支撐。消聲器不能承受外來的重量。
5、消聲器應盡量安裝在氣流通道平穩段內,尤其要避免安裝在管道的彎頭處。
6、通過消聲器氣體的含塵量應低于100毫克/標準立方米,否則要安裝空氣濾清器,以免影響使用效果。
7、通過消聲器的介質不允許含有水霧、油霧和腐蝕性氣體。介質溫度不要小于150℃。
8、消聲器使用一段時間后。若遇積灰效果降低,只能用干刷掃除灰塵,而不能用水沖洗。
9、消聲器在運輸和待裝前要采取防潮、防污措施,以免影響日后正常使用效果。
10、在滿足上述使用條件下,消聲器的壽命通??蛇_8-10年。
F型消聲器
消聲器是抗阻復合式消聲器,它主要用于降低各種高壓離心風機進出口的空氣動力性噪聲,適用于風機行業中9-19、9-26等型號的高壓離心風機。
F型消聲器分為A、B兩種形式。A型兩端均為法蘭,可串接于管道中使用,B型一端是法蘭,另一端為防雨吸聲風帽??晒┻M、排風使用。
F型消聲器使用風量2000-66000m3/h,使用溫度為150℃以下,消聲器可達20-25dB(A),阻力損失小于300mmH2O(294pa)。
F型消聲器規格選用表
1、消聲器用于降低風機、出口的空氣動力性噪聲。
2、消聲器安裝時,距消聲器進(出)口1.5米到2米處應無阻擋物,并注意避開其他噪聲源,以免影響消聲器正常的使用效果。
3、消聲器與風機連接法蘭口徑不一致時,可配接變徑管過渡,但當量角不應大于30°。連接法蘭間應避免剛性聯接,并注意密封,防止漏氣、漏聲。
4、消聲器可以根據實際需要安裝在空間的任意位置,但應注意消聲器的支撐。消聲器不能承受外來的重量。
5、消聲器應盡量安裝在氣流通道平穩段內,尤其要避免安裝在管道的彎頭處。
6、通過消聲器氣體的含塵量應低于100毫克/標準立方米,否則要安裝空氣濾清器,以免影響使用效果。
7、通過消聲器的介質不允許含有水霧、油霧和腐蝕性氣體。介質溫度不要小于150℃。
8、消聲器使用一段時間后。若遇積灰效果降低,只能用干刷掃除灰塵,而不能用水沖洗。
9、消聲器在運輸和待裝前要采取防潮、防污措施,以免影響日后正常使用效果。
10、在滿足上述使用條件下,消聲器的壽命通??蛇_8-10年。
F型消聲器
消聲器是抗阻復合式消聲器,它主要用于降低各種高壓離心風機進出口的空氣動力性噪聲,適用于風機行業中9-19、9-26等型號的高壓離心風機。
F型消聲器分為A、B兩種形式。A型兩端均為法蘭,可串接于管道中使用,B型一端是法蘭,另一端為防雨吸聲風帽??晒┻M、排風使用。
F型消聲器使用風量2000-66000m3/h,使用溫度為150℃以下,消聲器可達20-25dB(A),阻力損失小于300mmH2O(294pa)。
F型消聲器規格選用表

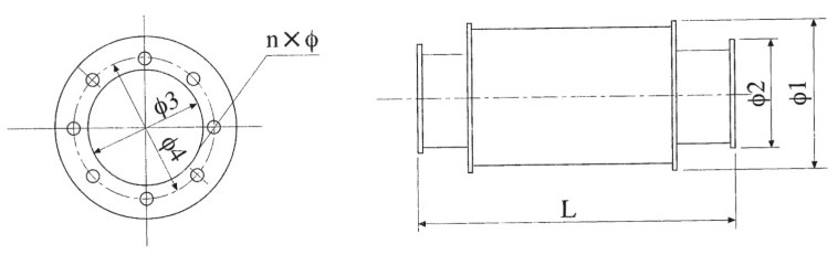
FA、FB消聲器外形尺寸示意圖

Z型消聲器
Z型消聲器系列共有九種規格,其中Z1-Z5為阻性消聲器。 Z5A-Z7為阻抗復合式消聲器,Z型消聲器主要用于降低羅茨鼓風機的進,排氣噪聲。
Z型消聲器適用風量為0.25m3/min-250m3/min,消聲量可達20-25dB(A),阻力損失小于50mmH2O(490Pa)
Z型消聲器可根據需要為羅茨鼓風機的進、出口法蘭直聯,也可串接在進、排的管道中使用。
Z型消聲器規格選用表
Z型消聲器系列共有九種規格,其中Z1-Z5為阻性消聲器。 Z5A-Z7為阻抗復合式消聲器,Z型消聲器主要用于降低羅茨鼓風機的進,排氣噪聲。
Z型消聲器適用風量為0.25m3/min-250m3/min,消聲量可達20-25dB(A),阻力損失小于50mmH2O(490Pa)
Z型消聲器可根據需要為羅茨鼓風機的進、出口法蘭直聯,也可串接在進、排的管道中使用。
Z型消聲器規格選用表

L型羅茨鼓風機配套消聲器規格選用表
L型羅茨鼓風機是系列羅茨鼓風機。L型消聲器,法蘭可以直聯。消聲器和阻力損失與Z型消聲器相仿。
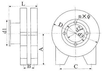
L型、Z型消聲器外型尺寸示意圖
L型羅茨鼓風機是系列羅茨鼓風機。L型消聲器,法蘭可以直聯。消聲器和阻力損失與Z型消聲器相仿。
L型、Z型消聲器外型尺寸示意圖

PZA型盤式消聲器
PZA型消聲器是環向進氣的阻性消聲器。由于它外型呈盤狀,因此具有軸向尺寸明顯小的特點。它適用降低小型工業鍋爐送風機的進口噪聲,在布置緊湊的鍋爐房內使用,有重量輕、占地小、安裝簡便的優點。
PZA型消聲器使用于風量3500-15000m3/h,消聲器14-18dB(A),阻損小于10mmH20(98Pa)。
PZA型消聲器是環向進氣的阻性消聲器。由于它外型呈盤狀,因此具有軸向尺寸明顯小的特點。它適用降低小型工業鍋爐送風機的進口噪聲,在布置緊湊的鍋爐房內使用,有重量輕、占地小、安裝簡便的優點。
PZA型消聲器使用于風量3500-15000m3/h,消聲器14-18dB(A),阻損小于10mmH20(98Pa)。

PZA型消聲器外型尺寸示意圖

PZB型遮蔽式矩形消聲器
PZB型消聲器是在PZA型消聲器的基礎上發展而成的,它的外型由原來的圓盤型改成矩形,并在上、下設有兩塊遮蔽吸聲板,改型后的PZB型消聲器,不但保持了PZA型消聲器的良好性能,而且結構緊湊合理,增加了遮雨的措施,適合戶外使用。
PZB型遮蔽式矩形消聲器規格選用表
PZB型消聲器是在PZA型消聲器的基礎上發展而成的,它的外型由原來的圓盤型改成矩形,并在上、下設有兩塊遮蔽吸聲板,改型后的PZB型消聲器,不但保持了PZA型消聲器的良好性能,而且結構緊湊合理,增加了遮雨的措施,適合戶外使用。
PZB型遮蔽式矩形消聲器規格選用表

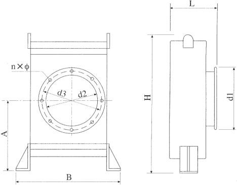
PZB型消聲器外型尺寸示意圖

DZ型電站送風機消聲器
DZ型電站消聲器是大型片式阻性消聲器,它有效解決了5萬kw電站-60萬kw電站大型送風機的進口噪聲。DZ型消聲器適用風量30-300m3/S,消聲量大于20dB(A),阻損小于200mmH20(196Pa)。
DZ型電站送風機消聲器規格選用表
DZ型電站消聲器是大型片式阻性消聲器,它有效解決了5萬kw電站-60萬kw電站大型送風機的進口噪聲。DZ型消聲器適用風量30-300m3/S,消聲量大于20dB(A),阻損小于200mmH20(196Pa)。
DZ型電站送風機消聲器規格選用表

DZ型消聲器外型尺寸示意圖

DZL型立式消聲器

DZL型立式消聲器外型尺寸示意圖




